首页
>
省直部门网站工作年报
>
省政府组成部门
>
详情
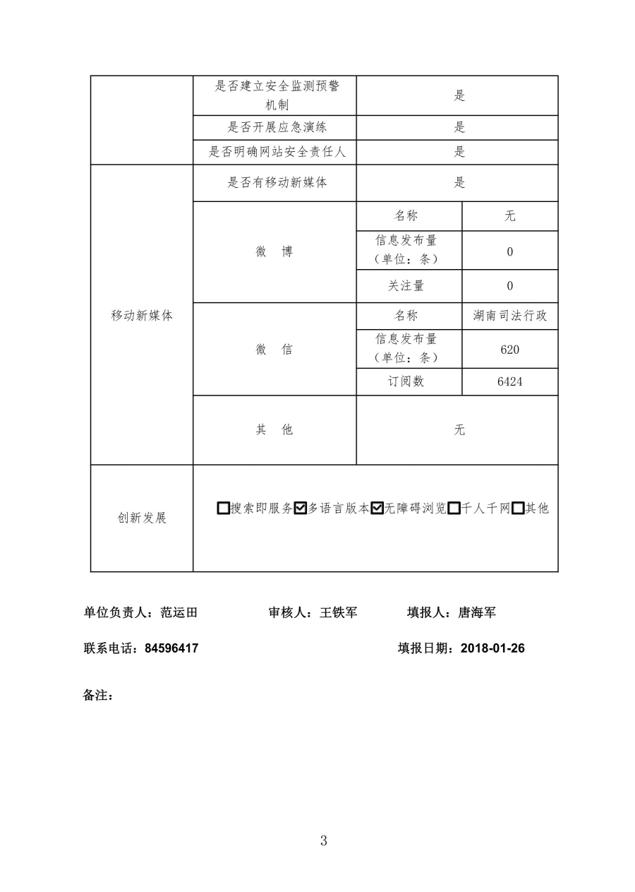
2017年湖南司法行政网工作年度报表
湖南省人民政府门户网站 www.hunan.gov.cn
时间:2018年01月31日
信息来源: 湖南司法行政网