中国政府网
湖南省人大网
湖南省政协网
繁体中文
ENGLISH
Français
日本語
한국어
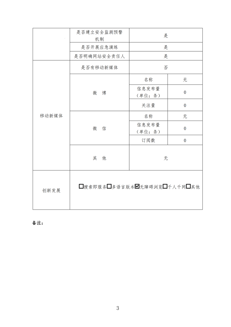
无障碍浏览
湖南省政府专题
>
2023年湖南省政府网站工作年度报表
>
市州政务网站工作年报
>
张家界市
>
县市区人民政府
>
详情
慈利县人民政府
湖南省人民政府门户网站 www.hunan.gov.cn
发布时间:
2024-01-29 15:47
【字体:
大
中
小
】
相关附件
信息来源: 慈利县人民政府 责任编辑: 朱格林
相关阅读
慈利县人民政府
32637784